|
Здесь будут выкладываться схемы устройств защиты источников питания от нежелательных воздействий и ситуаций.
Модуль защиты от неправильного подключения аккумулятора к зарядному устройству.
Рассмотрев множество схем защиты от переполюсовки, найденных в Интернете, не нашёл ни одной, пригодной для использования в широком диапазоне напряжений аккумулятора и источника питания, используемого для зарядки. А большинство из них вообще непригодны для зарядки литий-ионных аккумуляторов, которые в последнее время получили широкое распространение.
Анализ показал, что по принципу действия схемы делятся на два класса: разрешительные и запретительные.
В разрешительных схемах подключение к источнику питания разрешается только при наличии на выходе подключённого аккумулятора в правильной полярности. (См. рис. 1). Если аккумулятор подключён неправильно, или вообще не подключён, устройство не включается. Очевидно, при подключении пассивной нагрузки устройство тоже не включится.
В запретительных схемах (см. рис. 10) источник питания работает как при подключении аккумуляторов в правильной полярности, так и пассивной нагрузки, и отключается только при подключении к выходу аккумулятора в неправильной полярности. То есть, подключение аккумулятора неправильной полярностью запрещает подключение устройства защиты к источнику питания.
В современных схемах защиты наиболее целесообразно для включения / отключения нагрузки использовать мощные полевые транзисторы, как с N-, так и с P-каналами, что и наблюдается в Интернете. На сегодня транзисторы с N-каналами получили большее развитие и имеют лучшие характеристики практически по всем параметрам. Поэтому для силового ключа выбираем полевой транзистор с N-каналом.
По способу питания цепи затвора силового ключа схемы делятся тоже на два класса: с питанием от выхода самого источника и с питанием от независимого источника.
Очевидно, в первом случае, источник питания должен всегда иметь на выходе напряжение, достаточное для надёжного открывания силового транзистора, зто не менее 10 - 12 В. Во втором случае выходное напряжение источника питания не имеет значения. Отсюда следует, что для контроля заряда литий-ионных аккумуляторов необходимо выбирать схему с независимым источником питания цепи затвора силового транзистора (с напряжением 15 В).
Пример схемы, работающей по разрешительному принципу, показан на рисунке 1:

Рис. 1. Устройство защиты от переполюсовки по разрешительному принципу. Схема электрическая принципиальная.
Схема достаточно хорошо справляется со своей задачей.
Особенности:
- схема работает как при выключенном источнике питания, так и при включённом, если напряжение на выходе источника питания не превышает напряжение на аккумуляторе более, чем на 4 вольта. Когда напряжение больше указанного, устройство сработает, если аккумулятор достаточно мощный и установленный ток зарядки не приведёт к его переполюсовке. Если аккумулятор хилый, устройство не отключит аккумулятор от источника питания, но с источником ничего плохого не случится, плохое случится с аккумулятором. Он будет разряжаться током, предназначенным для зарядки.
Достоинства схемы:
- индикация неправильного подключения аккумулятора при выключенном источнике питания;
- отключение от источника питания при коротком замыкании выходной цепи.
Недостатки:
- устройство остаётся включённым после отключения аккумулятора до выключения источника питания, или короткого замыкания в выходной цепи;
- напряжение заряжаемого аккумулятора должно быть не менее 10 вольт, что не позволяет заряжать литий-ионные аккумуляторы.
Печатная плата показана на рисунке 2.
Рис. 2. Устройство защиты от переполюсовки по разрешительному принципу. Рисунок печатной платы.
Сборочный чертёж представлен на рисунке 3.

Рис. 3. Устройство защиты от переполюсовки по разрешительному принципу. Сборочный
чертёж.
На рисунке 4 показан вид собранной платы с двух сторон.

Рис. 4. Устройство защиты от переполюсовки по разрешительному принципу. Плата в сборе.
На рисунке 5 - вид устройства в корпусе из кабель-канала.

Рис. 5. Устройство защиты от переполюсовки по разрешительному принципу в корпусе из кабель-канала.
На рисунке 6 - практическое применение устройства.

Рис. 6. Практическое применение устройства защиты от переполюсовки.
Файл .pdf, для изготовления печатной платы методом ЛУТ, можно скачать здесь .
При печати установить "Реальный размер". Если для печати используется не Adobe Acrobat Reader, следует убедиться, что программа в состоянии выводить реальный размер.
Заметим, что если устройство не вмонтировано в источник, как в показанном случае, подключение резистивной нагрузки возможно, только не к выходу устройства защиты, а к выходу источника питания. Остаётся только один недостаток - невозможность использования для зарядки литий-ионных аккумуляторов.
На рисунке 7 показана схема устройства защиты по разрешительному принципу, пригодная для зарядки литий-ионных аккумуляторов.

Рис. 7. Схема устройства защиты по разрешительному принципу, пригодная для зарядки литий-ионных аккумуляторов.
Печатная плата показана на рисунке 8.

Рис. 8. Устройство защиты от переполюсовки по разрешительному принципу для зарядки Li-ion аккумуляторов. Рисунок печатной платы.
Сборочный чертёж представлен на рисунке 9.

Рис. 9. Устройство защиты от переполюсовки по разрешительному принципу для зарядки Li-ion аккумуляторов. Сборочный чертёж.
Файл .pdf, для изготовления печатной платы методом ЛУТ, можно скачать здесь .
При печати установить "Реальный размер". Если для печати используется не Adobe Acrobat Reader, следует убедиться, что программа в состоянии выводить реальный размер.
Потребность в служебном источнике +15 В затрудняет использование этой схемы в качестве приставки к источнику питания. А будучи встроенной в источник, она лишает его возможности подключения резистивной нагрузки.
Устройства, встроенные в источник питания, работающие по разрешительному принципу, хороши для источников питания, которые используются только для зарядки аккумуляторов. Если источник должен иметь возможность подключения резистивной нагрузки, они совершенно непригодны.
Принципиальная электрическая схема устройства защиты по запретительному принципу, которая позволяет использовать источник питания как для зарядки аккумуляторов, так и по прямому назначению, практически не изменяя его характеристик, показана на рисунке 10.
Рис. 10. Устройство защиты от переполюсовки по запретительному принципу. Схема электрическая принципиальная.
Устройство предназначено для контроля полярности подключения аккумуляторов от 2,5 до 30 В, при напряжении источника питания до 40 В. Указанные ограничения в данном случае регламентируются только тем, что сумма напряжений источника питания и аккумулятора не должны превышать пробивного напряжения транзистора VT4, 75 В для IRFP4368, а напряжение источника питания не должно превышать напряжения пробоя транзистора VT3, 50 В для КТ3129А9. В качестве VT4 может быть использован более высоковольтный транзистор, но следует учесть, что максимальное сопротивление канала в транзисторе IRFP4368 равно 1,85*10-3 Ом, падение напряжения на нём при токе зарядки 30 А составит
30 А * 1,85*10-3 Ом = 55,5*10-3 В = 55,5 мВ,
и если устройство вмонтировано в источник питания, напряжение на выходе устройства защиты может контролироваться прибором источника питания, поскольку лежит в пределах точности вольтметра. Мощность, рассеиваемая транзистором, при токе зарядки 30 А составит
30 А * 55,5 мВ = 1665 мВт = 1,665 Вт,
что потребует небольшого охладителя.
Более высоковольтные транзисторы имеют большее сопротивление канала, что приводит к большему падению напряжения на транзисторе, большей мощности рассеивания и потребует серьёзного охладителя.
Предполагается, что аккумулятор подключается при выключенном устройстве, когда контакты тумблера S1 разомкнуты. После подключения аккумулятора, для включения процесса зарядки, тумблер S1 переводится в положение, при котором его контакты замкнуты.
Если аккумулятор подключается при включённом тумблере «Зарядка», отключение источника питания при переполюсовке произойдет только в том случае, если ток зарядки окажется меньше тока, который может выдать аккумулятор.
Предполагается наличие служебного источника +15 В в источнике питания. Если такового нет, и если заряжаются только аккумуляторы 12 В, и напряжение на выходе источника питания никогда не превышает 20 В, вывод 15V можно соединить с выводом +U. Если заряжаются аккумуляторы 12 – 24 В, и выходное напряжение источника питания никогда не превышает 30 В, Можно использовать внешний стабилизатор напряжения, как показано на рисунке 11.

Рис. 11. Подключение внешнего стабилизатора напряжения.
Печатная плата показана на рисунке 12.

Рис. 12. Устройство защиты от переполюсовки по запретительному принципу. Рисунок печатной платы.
Сборочный чертёж представлен на рисунке 13.
Рис. 13. Устройство защиты от переполюсовки по запретительному принципу. Сборочный чертёж.
На рисунках 14 - 16 показан вид собранной платы с двух сторон.

Рис. 14. Устройство защиты от переполюсовки. Плата в сборе.

Рис. 15. Устройство в сборе. Сторона пайки.

Рис. 16. Устройство в сборе. Сторона силового транзистора.
Результаты испытаний
Испытания показали, что защита срабатывает при напряжении аккумулятора более 2,0 В.
Это говорит о том, что модуль можно использовать для зарядки литий-ионных аккумуляторов с глубокой степенью разряда.
В ходе испытаний выяснилось, что аккумулятор можно подключать при выключенном положении тумблера "ЗАРЯДКА" как при выключенном, так и при включённом источнике питания. Если полярность неправильная, при включении источника питания и тумблера, устройство не включится.
Если подключить аккумулятор неправильной полярностью при включённом источнике питания и включённом тумблере "ЗАРЯДКА", защита однозначно не сработает.
Для кислотных акуумуляторов напряжением 12 - 24 В в Интернете есть много простых схем. А вот для литий-ионных аккумуляторов нормально работающую схему пришлось буквально вымучивать.
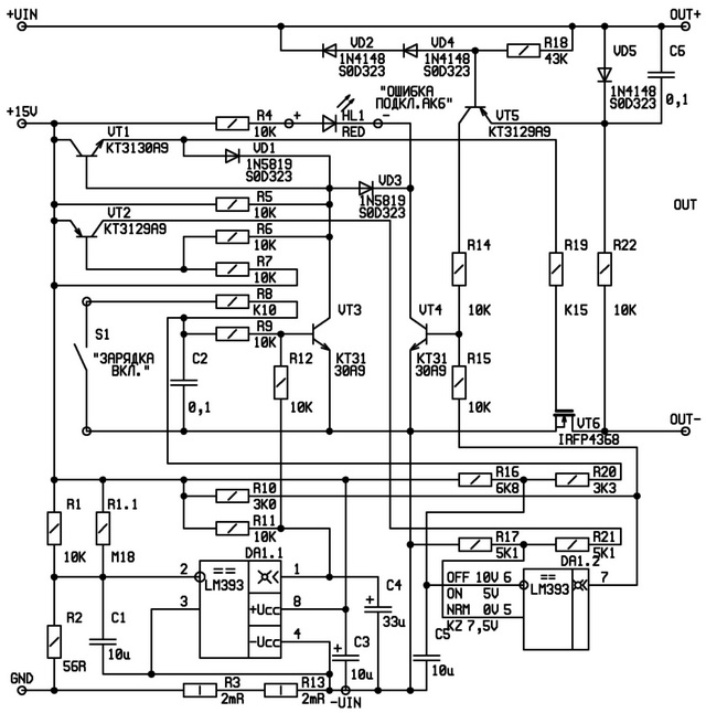
Схема устройства защиты, работающая по запретительному принципу в широком диапазоне напряжений, как при включённом, так и при выключенном источнике питания, при любом положении тумблера "зарядка" и пригодная для зарядки литий-ионных аккумуляторов, показана на рисунке 17. Схема позволяет использовать источник питания для резистивной нагрузки.

Рис. 17. Устройство защиты по запретительному принципу, пригодное для зарядки Li-ion аккумуляторов, с шунтом для ограничения тока. Схема электрическая принципиальная.
При выключенном источнике питания или при выключенном тумблере "зарядка" транзистор VT6 заперт и ток из неправильно подключённого аккумулятора в источник питания не идёт. При этом неправильно подключённый аккумулятор активирует цепи отключения транзистора VT5 и индикации неправильного подключения, выполненные на транзисторах VT4 и VT5. При включении источника питания и тумблера "зарядка" они закроют транзистор VT6. Устройство защиты отключает аккумулятор от источника питания.
Если аккумулятор подключается неправильной полярностью ко включённому источнику при включённом тумблере "зарядка", в источник питания из аккумулятора начинает протекать неконтролируемый ток. Когда этот ток достигает величины, заданной номиналами резисторов R1-R3 и R13, компаратор DA1.1 срабатывает, транзистор VT3 открывается и выключает транзистор VT6. Устройство защиты отключает аккумулятор от источника питания. При этом неправильно подключённый аккумулятор активирует цепи отключения транзистора VT6 и индикации неправильного подключения, и удерживает устройство защиты в выключенном состоянии.
При включённом тумблере S1 напряжение на инверсном входе компаратора DA1.2 имеет величину 5 В. Если транзистор VT6 отключается, напряжение на прямом входе DA1.2 становится равным 7,5 В, Это приводит к появлению на выходе DA1.2 высокого уровня напряжения. В базу транзистора VT4 через резистры R10 и R15 начинает протекать ток от источника 15 В, транзистор открывается, закрывает транзистор VT6 и включает светодиод HL1. Источник остаётся в выключенном состоянии независимо от того, что подключено к его выходу. Для возврата в рабочее состояние необходимо устранить причину, приведшую к срабатыванию защиты (неправильная полярность аккумулятора, или короткое замыкание), выключить тумблер S1 и включить его снова. При выключении тумблера S1 на инверсном входе DA1.2 устанавливается уровень напряжения 10 В, что приводит к появлению низкого уровня напряжения на его выходе. Транзистор VT4 закрывается, светодиод гаснет, но транзистор VT6 остаётся закрытым, поскольку открыт транзистор VT3. При включении тумблера S1 компаратор DA1.2 остаётся в указанном состоянии до появления причины срабатывания защиты.
Номиналы резисторов R1-R3 и R13 рассчитаны на ток 20 А. Компаратор срабатывает при токе 22А. Порог срабатывания может быть немного откорректирован изменением номинала резистора R1.1.
Ток срабатываня Iмакс можно изменить, изменив номиналы резисторов R3 и R13. Сопротивление (R3 + R13) можно вычислить по формуле:
(R3 + R13) [мОм] = 85 мВ / Iмакс [A].
И если необходимо заряжать аккумуляторы с током короткого замыкания меньшим, чем максимальный ток источника питания, можно сделать второй выход для зарядки таких аккумуляторов с током ограничения, рассчитанным по приведённой формуле. Напимер, один выход для зарядки кислотных аккумуляторов, второй - для литий-ионных.
Схема имеет неочевидное достоинство. Тумблер "зарядка" может быть использован не только для подключения/отключения аккумулятора, но и для любой нагрузки.
Если источник питания имеет шунт, включённый между минусовым выходом схемы внутреннего инвертора и минусовой клеммой источника питания, что в большинстве случаев так и есть, шунтовые резисторы R3 и R13 можно не устанавливать. Схема при этом немного изменяется, как показано на рисунке 18.
Рис. 18. Вариант с использованием внутреннего шунта источника питания.
Вывод GND необходимо подключить к выводу шунта, который не подключён к выходной минусовой клемме источника питания. Всё остальное то же. Схема рассчитана на ток 20 А и срабатывает при достижении на шунте напряжения 85 мВ (при 75 мВ в номинале).
Поскольку схема на рис. 18 получается из схемы на рис. 17 простым удалением резисторов R3 и R13, печатная плата сделана только для схемы на рис. 17, она показана на рисунке 19.

Рис. 19. Печатная плата для схемы рис. 17.
Сборочный чертёж показан на рисунке 20.

Рис. 20. Сборочный чертёж для схемы рис. 17.
Резисторы R3 и R13 лучше использовать не металлоплёночные, а из специально обученного сплава AEC-Q200. Они выдерживают до 3 Вт мощности.
На рисунке 21 показана плата в собранном виде с двух сторон.


Рис. 21. Плата в собранном виде с двух сторон.
При испытаниях выявилась одна деталь. Если происходит отключение по срабатыванию от шунта, особенно при большом токе, на выходе происходит выброс напряжения, обусловленный индуктивностью соединительных проводов.
Выброс может быть больше пробивного напряжения транзистора VT6. Для устранения этой проблемы необходимо к выходу устройства защиты подключить конденсатор ёмкостью 1 мкФ.
Испытания показали, что при токе нагрузки 20 А охладитель транзистора нагревается до 45 градусов, резисторы шунта R3 и R13 нагреваются до 50 градусов.
Кроме того, оказалось, что на резисторах шунта R3 и R13 падает напряжение на 20% выше расчётного, и модуль защиты отключается при токе нагрузки 18 А. Возникает необходимость корректировки номинала резистора R1.1.
Пишем соотношения:
- при установленном пороге Uпор = 88,1 мВ - ток защиты Iз = 18 А;
- надо установить порог Uпор1 - чтобы ток защиты стал Iз1 = 22 А.
Отсюда получаем:
Uпор1 = Uпор*Iз1/Iз = 88,1*22/18 = 107 [мВ].
То есть, к установленному порогу 88,1 мВ необходимо добавить
Uдоб = Uпор1 - Uпор = 107 - 88,1 = 18,9 [мВ].
Для этого в резисторе R2 необходимо увеличить ток на
Iдоб = Uдоб/R2 = 18,9/56 = 0,3375 [мА].
Это можно сделать, подключив параллельно резистору R1.1 резистор номиналом
Rдоб = Uпит/Iдоб = 15 В/0,3375 мА = 44,4 [кОм].
Выбираем ближайшее значения из ряда номиналов - 43 кОм и напаиваем его сверху на резистор R1.1.
Файл .pdf, для изготовления печатной платы методом ЛУТ, можно скачать здесь.
При печати установить "Реальный размер". Если для печати используется не Adobe Acrobat Reader, следует убедиться, что программа в состоянии выводить реальный размер.
На этом обзор наиболее простых, универсальных и доступных для реализации схем защиты источника питания от неправильного подключения аккумулятора считаю полным и завершённым.
Не сомневаюсь, что существуют множество схем, использующих другие принципы и другую элементную базу, например, реле, оптические, электромагнитные и прочие приборы, но пока не вижу лучшей альтернативы рассмотренным схемам.
=В.С.= 15 февраля 2026 г
|